Мост
Мост, (мостовое сооружение, мостовой переход, транспортный переход), — искусственное сооружение, предназначенное для осуществления преодоления препятствий на пути, транспортном либо пешеходном. Сам по себе мост (мостовой переход) по определению ГОСТ[1] служит для перехода/переезда через водные препятствия, однако в обиходе мостами называют также
- путепроводы, — (дорога над дорогой, пересекающиеся в разных уровнях под прямым углом или близко к этому);
- эстакады, — многопролётные сооружения с небольшими пролётами (расстояниями между опорами) перекрывающие суходол, поймы рек, проходящее по застроенным территориям или заменяющее насыпь на подходах к мостам, часто в составе городских транспортных развязок;
- виадуки, — сооружения переброшенные через глубокие овраги или ущелья, суходолы, узкие долины, обычно строятся без характерных для мостов подходов из высоких насыпей.
Умники, не имеющие строительного образования, часто называют «виадуками» путепроводы и эстакады, гордясь при этом, что знают многоумныхслов. Данный факт очень расстраивает специалистов-мостовиков.
И мосты (мостовые переходы) и путепроводы, и эстакады, и виадуки называется мостовыми сооружениями© оффициально™. В данной статье для простоты изложения термин «Мостовое сооружение» будет заменяться просто «мост». Мосты бывают автодорожные, железнодорожные, пешеходные, специальные мосты для прокладки коммуникаций, а также модные экодуки для перемещения диких зверей. Мост, это важный элемент развития цивилизации, позволяющий распространяться там, где природа казалось бы против.
В слово «мост» нередко вкладывают ещё и сакральный смысл перехода через некое препятствие, или рискованное решительное действие, — «сжигать мосты». С мостами также связаны иррациональные эскапады эмоционально-лабильных человекообразных млекопитающих.
Мост, — это «законная цель» вооруженных конфликтов. Так повреждение конструкций Антоновского моста через Днепр ухудшило логистику русских войск на его правом берегу, что в конечном итоге повлияло на решение о сдаче Херсона. Во время наступления ВСУ в ЛДНР в 14-м мосты частенько взрывали ополченцы, в 22-м настала очередь ВСУ. Это действительно осложняет наступательные действия, тем что создает трудности с доставкой грузов по растянутым коммуникациям.
Таким образом остро стоит стратегическая задача создания боевых военизированных мобильных мостоотрядов, способных в короткие сроки проводить обследование разрушенных мостов, выполнять необходимые изыскания, «на коленке» привязывать к местности рабочую документацию, а затем в считанные дни способных либо решительно ремонтировать существующие сооружения, либо возводить новые временные мосты из модульных конструкций (вибропогружаемые сваи, МИК-С, МИК-П, САРМ и т.д,), а также понтоны. Такие подразделения должны быть самодостаточны: помимо строительных машин, иметь в своем составе средства разминирования (демонтажа, подрыва, — опционно), ПВО, антидроновые средства, достаточно сил для борьбы с вражескими ДРГ, устойчивую связь, старлинки, а также собственных операторов БПЛА.
Подробности[править]

Мосты появились довольно давно, когда люди распространились на немаленькие территории и стали по ним перемещаться. Чтобы преодолевать небольшие реки, ручьи, глубокие но узкие расщелины и пропасти в качестве перехода использовались упавшие или поваленные деревья. Но широкие препятствия так переходить пешком не получалось. С развитием ручных орудий труда и появлением зойчатков государственности появились и стационарные мостовые переходы. Чтобы не обходить реку или искать место, где река мелкая, стали просто строить деревянные и каменные мосты, которые позволяли спокойно передвигаться с одной стороны берега на другую. В целях безопасности брёвна стали связывать/скреплять между собой, чтобы не разъезжались, а по бокам стали приделывать обязательные ограждения, предотвращающие падение с высоты. В средневековых европах и Византии мосты были каменные, встречались и деревянные (которые служили значительно меньше, так как дерево легче портится). В горной местности сооружали подвесные мосты из верёвок. На Руси мосты, как и большинство жилых домов были выполнены из кругляка.
По мере развития военного дела и торговли стали строить всё большее количество мостов, которые позволяли легко добраться из одного города в другой, причём должны были выдерживать лошадей и большие повозки с товарами. В 1840-х появились первые железнодорожные мосты, позволяющие пересекать препятствия поездам.
Мосты являются важным стратегическим объектом и нередко становятся законными целями для атаки во время военных действий: если мост выдолблен, то доставить по нему войска, технику и боеприпасы не получится. В средние века путь на мост охранялся замком (идеалом является замок Фрейеев, который и есть сам мост). Собственные мосты нередко подрывают при отступлении, могут и заминировать. Именно мосты ебенях традиционно ограничивают вес танков.
Под мостами часто проживают агрессивные зелёные тролли и с собою надо иметь некия деньги, чтобы откупиться.
-
Путепровод над железной дорогой.
-
Эстакада. 2 шт. Где-то в Толерантной.
-
Виадук. Пос. Пудлинговый Свердловская область.
-
Экодук. Платная автодорога М-12 Москва-Казань.
-
Акведук Велувемеер Нидерланды.[2] По конструктивным особенностям путепровод тоннельного типа.
-
Железнодорожное искусственное сооружение (виадук высотой до 40 м). Построено Российской Империей в 1911 году, восстановлено советскими военными мостовиками в 1949.
Элементы конструкций[править]

Независимо от предназначения моста, его расположения, вида, длины наибольшего пролёта, материалов из которых он сделан и его расчётной схемы, в состав конструкций моста входит (снизу вверх):
- Опоры крайние ОК (устои) и промежуточные ОП (стар. назв. быки). Опоры состоят из фундаментов, тел опор, ригелей (насадок), подферменников;
- Пролётные строения. ПС. Воспринимают нагрузку и передают их вниз на опоры. В состав пролётов входят также опорные части ОЧ. Самая пожалуй значимый и меметичный вид конструкции, часто по материалу ПС классифицируют весь мост, например железобетонный, металлический и т. д. Именно пролёты больше всех «любят» разного рода подрывники, террористы и телевизионщики;
- Мостовое полотно, МП, — та часть сооружения что непосредственно взаимодействует с подвижным составом в случае если мост железнодорожный, — это рельсы, шпалы, балластное корыто, гидроизоляция. Если мост автодорожный, то это дорожная одежда (обычно асфальтобетон, в простонародье асфальт), гидроизоляция, барьерные ограждения, перила, столбы освещения, водоотвод, а также важная, но малоизвестная в массах конструкция деформационного шва ДШ.
- Техническое обустройство, — достаточно новый элемент, но с внедрением автоматизированных методов организации движения, и контроля за ним, набирающий вес как по стоимости, так и по трудоёмкости.
Нагрузки и воздействия[править]

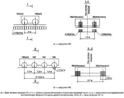
На мост действуют нагрузки и воздействия, при этом должны быть обеспечены его потребительские свойства: пропуск людского, транспортного потока по мосту, пропуск транспорта, людей, воды под мостом, пропуск коммуникаций, грузоподъёмность, безопасность, долговечность, экологичность и т. д. Для этого используют моделирование нагрузок как постоянных, типа собственного веса конструкций, так и временных подвижных от воздействия транспортных средств, навала судов, а также неблагоприятных природных условий, типа снега, ледохода, карчехода, сейсмических воздействий, так называемый метод предельных состояний. Современные мосты рассчитаны на воздействие временных подвижных нагрузок А14 и Н14.[4]
- АК14, — это равнораспределённая вертикальная динамическая нагрузка по всей длине сооружения из тележек с нагрузкой на ось 14,2 тонны (имитируется пробка на мосту);
- Н14, — это точечная вертикальная динамическая нагрузка в виде одиночной четырёхосной тележки с нагрузкой на ось 25,7 тонн (имитируется затрофеенный танк Абрамс, одиночно движущийся в сторону Кремля, при том что транспортный поток в это время на мост не заезжает).[5] В расчёт принимается наиболее неблагоприятный вариант, который называется нормативной временной вертикальной нагрузкой от подвижного состава. Именно она идёт в расчёт как основная составляющая, вносящая львиную долю по группам предельных состояний.
Раньше при совке применялись равнораспределённые динамические нагрузки А11 (А8) и НК80 (НГ60), с нагрузкой на ось 11 и 8 тонн соответственно, а также точечные 80 и 60 тонн. При Путине требования ужесточились и устаревшие нагрузки применяются для расчёта реконструируемых старых мостов с ограничением грузоподъёмности. Следует сделать ремарку, что при Лужкове МКАД строился под новую нагрузку 14 т/ось, — это было прописано в техническом задании на проектирование. Это касается автодорожных мостов, для железнодорожных применяются другие нагрузки: нормативную временную вертикальную нагрузку от подвижного состава железных дорог следует принимать (с учетом перспективы развития транспортных средств железных дорог) в виде объемлющих максимальных эквивалентных нагрузок, полученных от отдельных групп сосредоточенных грузов весом до 35 тонн и равномерно распределенной нагрузки интенсивностью 14 тонн на метр пути, а для пешеходных, — нагрузка от толпы.
Сбором нагрузок обычно занимаются специализированные проектные институты, после чего, сделав сравнительную характеристику не менее трёх вариантов, выдают на стройплощадку уже конкретные конструктивные решения.
Факторы, влияющие на размеры мостов[править]





Водоёмы бывают как судоходные так и не судоходные. Мосты через судоходные реки строятся на такой высоте, чтобы свободная высота пролётов позволяла проход посудин в момент разлива, то есть от расчётного уровня судоходства, РСУ. Высота подмостового габарита (от РСУ до нижнего фрагмента пролётного строения) по российским нормам от 7 до 17 метров.[8] Если река не судоходная или принимается во внимание пролёт через судоходные реки под которым не планируют пускать суда, возвышение моста над уровнем воды при паводке должно быть 0,5 м и выше, с вероятностью превышения максимальных расходов паводков 1 %. То есть, переводя на язык обывателя, вода может подходить к низу моста меньше чем на полметра, не чаще, чем раз в сто лет.
Высоту путепроводов принимают такой, чтобы выдержать габарит транспортных средств проезжающих под ним, а так же чтобы контактные провода железнодорожного транспорта не пробивали током на вышележащий пролёт. Однако находятся особо одарённые водятлы грузовиков, чаще всего незаменимые специалисты из ближнего зарубежья, которые катаются на грузовиках с поднятыми кузовами. Здесь конечно выдержка габаритов не спасёт.
- Габарит под путепроводом (минимальное расстояние от верха асфальта до низа моста) для автомобильных дорог не менее 4,5-5 м[9] (в зависимости от категории дороги).
- Габарит приближения строений путепровода над железной дорогой должен быть не менее 6,25 м (для контактной подвески 3 кВ), и не менее 6,4 м (для контактной подвески 25 кВ), для высокоскоростных поездов (скорость движения 200—250 км/ч) требования ужесточаются[10].
- Габарит приближения строений путепровода над метрополитеном должен быть не менее 3,95 м. (так низко, потому что питание у всех поездов метро осуществляются через специальные токоприемники, которые скользят по контактному рельсу и принимают 825 вольт).[11].
Ширина моста зависит от количества полос (категории автодороги), ширина железнодорожного моста обычно привязывается к габариту приближения. Длина сооружения зависит от ширины пересекаемого препятствия, длина эстакад, — от конфигурации транспортной развязки.
Статические схемы пролётных строений[править]

Балочные мосты[править]



Бывают разрезные и неразрезные балки пролётных строений. Обычные железобетонные балки, которые выпускают мостозаводы, как правило делают для разрезных конструкций по модульным размерам 33, 30, 27, 24, 21, 18 метров. Самые мощные напряжения в конструктиве возникают от изгибающего момента посредине балки снизу, поэтому нижняя часть балок армируется больше всего преднапрягаемой арматурой. В таком случае над опорой балки заканчиваются и начинаются новые. Верхние плиты балок объединяются между собой посредством устройства монолитных участков по месту. Точно также объединяются балки вдоль.
Неразрезные балки чаще всего делают из специальной мостовой стали. Таким образом над промежуточной опорой балка не прерывается. Между собой балки объединяются поперечными связями, а по верху либо железобетонной (такие балки называются сталежелезобетонные), либо ортотропной металлической плитой. С завода балки привозят отдельными блоками, которые собираются по месту, как конструктор на специальных стапелях/пирсах/временных опорах. Потом их варят полуавтоматической, автоматической либо ручной электродуговой сваркой, а заодно скрепляют высокопрочными болтами с контрольным натяжением специальными ключами. В дальнейшем балки оказываются в проектном положении чаще всего посредством продольной и поперечной надвижек. Железобетонные разрезные балки обычно монтируются кранами, грузоподъёмностью от 100 тонн и выше.
В мостостроении, когда требуется перекрыть достаточно большие пролёты, бывает целесообразно возводить пролёты из балочных сквозных ферм как с ездой поверху, так и с ездой понизу. Такие балки также бывают как разрезными, так и неразрезными. При царе горохе очень любили такие мосты собирать на клёпки. Сейчас для сборки используют высокопрочные болты ВПБ, в том числе и в северном исполнении. Главное отличие конструкций, собранных на ВПБ от конструкций, собранных на обычные болты, заключаются в том, что соединения на ВПБ являются фрикционными, потому что работает вся площадь контакта, а сами ВПБ работают «на сжатие», в то время как обычные болты (сыромятина) работают «на срез», и конструкция какбэ висит только на них.
После того как изобрели железобетон и научились клепать металлические фермы, балочная система оказалась самая востребованная при возведении мостовых сооружений, как наиболее экономически эффективная для массового типового строительства. Правда первый железобетонный пешеходный мост был арочным и построен во Франции в 1877 году.[12] Тем не менее издревле было принято возводить каменные арочные мосты, о чём следующий подраздел.
Арочные мосты[править]



В стародавние времена, когда железо было дорогим, а железобетон ещё не изобрели, основными материалами для мостов служили дерево и природный камень, позже ещё кирпич. Древесина является анизотропным материалом, то есть материалом с неодинаковыми свойствами по направлениям относительно волокон. Другими словами легко разрушается вдоль волокон, гниёт, подвергается усушке, горит. Наиболее надёжными и долговечными считались каменные мосты, и в особых случаях чугунные мосты.[13] Но и тут есть нюанс: камень (и чугун) на растяжение работает на несколько порядков хуже, чем на сжатие. Зная эту особенность, умельцы, вольные каменщики придумали особенный способ кладки, при котором каменный конструктив работает только на сжатие, растяжение и изгиб почти полностью исключается. Это арочная кладка, применяется как в промышленно-гражданском строительстве, так и при возведении мостов.
Основной несущей конструкцией арочных пролётных строений арочных мостов служат своды и арки, представляющие собой криволинейные «брусья». Особенностью арочных систем является их преимущественная работа на сжатие.
По статической схеме арочные мосты могут быть бесшарнирными, двухшарнирными и трехшарнирными. Шарниры применяются для того, чтобы снять горизонтальную нагрузку от распора, а также конструкции не испытываю дополнительные усилия от деформации опор, изменений температуры, усадки материалов (в случае трёхшарнирных мостов). Бесшарнирные строить проще, раньше так и делали. Криволинейные конструкции современных металлических или железобетонных арочных мостов называют сводами. У сводов ширина сечения существенно больше его высоты.
Арочные мосты бывают с ездой поверху, понизу и посередине.
Комбинированные системы[править]

В современном мостостроении проектировщики нередко сочетают балочные и арочные системы мостов. Такая компиляция называется комбинированной системой. Чаще всего экономически выгодно делать жёсткие балки и гибкие подвесные арки с ездой понизу, с прямыми или наклонными подвесами. Такой комбинированной системой являются пролётные строения Крымского моста, перекрывающие судоходный фарватер. Это известный проект Путина после присоединения Крыма к России, который был открыт с большой помпой. Предназначен для снабжения Крыма с территории России (так как континентальный доступ был перекрыт Украиной). Украинцы неоднократно заявляли о намерении его уничтожить; осенью 2022 года пытались подорвать мост, смогли повредить один пролёт, но уничтожить не смогли.
Лондонский (Тауэрский мост) комбинированный (разводной и висячий одновременно) мост — меметичный мост через не менее меметичную Темзу, который соединяет два её берега, отличается характерным для викторианской неоготики стилем (ведь мост открыли в 1894 году, во времена, когда Британией правила знаменитая Виктория).
Висячие мосты[править]


Висячим мостом называется такой мост, основная конструкция несущего типа которого выполняется из элементов гибкого типа. Такими элементами могут быть канаты, кабели, всевозможные цепи и другие подобные элементы. Данные элементы выполняют так называемые растягивающие работы. А часть моста, которая является проезжей, соответственно подвешена на данных гибких элементах. Троса натягиваются между огромными вертикальными столбами-опорами, — пилонами, а балки уже крепятся к этим тросам. Главное достоинство таких мостов, — перекрытие огромных пространств без дополнительных опор, мешающих судоходству. Однако при сильном ветре движение по подвесным мостам может быть приостановлено, из-за того, что может быть небезопасно.
Одним из самых известных подвесных мостов признан мост «Золотые Ворота» в США, рядом с Сан-Франциско. Большой мост красного цвета, обладает значительной длиной — более 2 км.
Самый длинный в мире подвесной мост «Чанаккале 1915», связывающий Европу и Азию, перекинут через пролив Дарданеллы. Открыт в 2022 году Эрдоганом. Длина моста 4608 метров (а у русского тсаря ажник 16857,28 м), зато при этом центральный пролёт у султана возвели длиной 2023 метра, а у нашего лидера всего 227 метров. Посчитали, что турецкий мост стоит 3,4 млрд.евро.[15], в то время как сметная стоимость православного Крымского моста составила 227,92 млрд рублей с подходами.[16] Для Эрдогана этот мост символизирует неудавшуюся попытку военного переворота в Турции, инспирируемого в 2016 году англосаксами.
Вантовые мосты[править]

В вантовых мостах железобетонная балка работает на изгиб в сочетании с поддерживающими её гибкими вантами, работающие на растяжение и опирающимися на стойки-пилоны, работающие на сжатие. За счёт вант происходит значительное уменьшение изгибающих моментов в балке. Железобетонные вантовые мосты могут иметь также один пилон. Такой для своего времени уникальный вантовый мост с одним пилоном был построен в столице советской Украины городе-герое Киеве в 1976 году, и получил название «Московский». В рамках «декоммунизации» был переименован украинскими нацистами в «Північний», и в настоящий момент ожидает своего освобождения и возврата исторического названия.
Основу этого самобытного моста составляет громадная монолитная несущая опора (пилон)[17], которая стоит на левом берегу основного русла Днепра. В конце 60-х в северной части Киева тогда был только один мост — железнодорожный Петровский. Поэтому существовала острая необходимость еще в одном — автомобильном. Речники попросили, чтобы на средине Днепра расстояние между опорами нового мостового перехода было не менее трехсот метров. Дело в том, что в те времена по Днепру ходили целые караваны барж и даже сплавлялся лес, связанный в плоты. Им было бы сложно и опасно маневрировать между стоящими близко друг от друга мостами — Петровским и Московским. Поэтому приняли решение сделать Московский вантовым. Трехсотметровый участок сооружения подвешен с помощью пучков стальных канатов (вантов) к огромной башне (пилону) высотой с 35-этажный дом — 115 метров. Трёхсотметровый пролёт держится на пилонах, каждый из которых состоит из 40 канатов, а канаты — из 91 высокопрочной оцинкованной проволоки. Когда строили, чтобы их смотать приходилось делать огромные барабаны диаметром двадцать метров. На завершающей стадии строительства у руководства республики родилась блестящая идея: на верхушке пилона взгромоздить работу скульптора Василия Бородая «Парящая ладья» с фигурами основателей Киева князей Кия, Щека, Хорива и их сестры Лыбеди. Хохлы уже в то время были затейниками, да. Однако при проектировании нагрузка от скульптуры была не учтена, поэтому инженеры-проектировщики заартачились. Им долго пришлось объяснять все это партийным и советским начальникам. Одним из их аргументов было то, что с земли композиция плохо видна. Чтобы доказать это, вырезали фанерный макет «Парящей ладьи» и установили ее на пилон. Наглядная демонстрация сработала. В конце концов, композицию установили в парке имени Примакова на берегу Днепра, и она стала одним из символов Киева. А пилон украсили медным кованым гербом города высотой шесть метров.
Разводные мосты[править]


Разводные мосты[18] , имеют подвижное пролётное строение для обеспечения пропуска судов. Разводные мосты, как правило, строят на судоходных реках и каналах в плотной застройке, когда другими способами «развязать» наземный транспорт и судоходство не удаётся. В определённое время суток движение по разводному мосту останавливается, при помощи механического или гидравлического привода пролётное строение поднимается/сдвигается/поворачиваются, и в этом месте проходят в порядке очереди суда.
Внезапно, разводной мост достаточно древнее изобретение. В средние века замки феодалов было принято обносить рвом с водой, а доступ в цитадель обеспечивал разводной (подъёмный) мост. Такой мост позволял пропускать по себе тяжеловесные колесницы с грузом, а также защищал саму крепость от попадания тяжелой, на тот момент, артиллерии в виде камней и металлического оружия.
Фотогалерея[править]
-
Монтаж железобетонных балок пролётного строения «с колёс».
-
Монтаж металлического пролётного строения однопролётного моста.
-
Укрупнённая сборка металлического пролётного строения на стапеле.
-
Неразрезные балки металлического пролётного строения. Сборка перед опусканием (при помощи домкратов) на опорные части в проектное положение.
-
Железнодорожный р. Суда на 454км линии Волховстрой - Череповец Октябрьской ж.д. Выполнен из балочных сквозных ферм с ездой понизу.
-
Каменный мост в г. Воронеж, памятник архитектуры XIX века.
-
Чугунный арочный мост через р. Северн в Англии (Айронбридж, графство Шропшир) первый металлический арочный мост в мире, ставший памятником промышленной революции XVIII века. Мостовая конструкция была возведена в 1779 году.
-
Мост форт-Бридж, Шотландия. 1890 год, один из первых стальных мостов. [19]
-
Пешеходный разводной мост Гейтсхед Миллениум, делай раз[20]
-
Пешеходный разводной мост Гейтсхед Миллениум, делай два
-
Канонiчный средневековый подъёмный мост</ref>
Конструктивные особенности мостов[править]
В конструкциях мостов имеются ряд особенностей, подробно рассмотренных в этом разделе.
Опорные части[править]



Пролётные строения опираются на нижележащие конструкции при помощи опорных частей, которые служат для фиксации положения, а также для обеспечения свободы деформаций пролётных строений. Опорные части бывают подвижные и неподвижные. Дело в том, что пролётное строения, особенно металлические, подвержены в процессе эксплуатации различным деформациям и изменениям размеров, чаще всего связанные с температурным расширением и сжатием материалов. Для этого пролёты должны иметь возможность двигаться относительно опор, особенно если мост построен в местности с огромным перепадом температур, и/или пролётные строения насчитывают длину более 18 м. В течении года мосты перемещаются от 1-2 до нескольких десятков сантиметров относительно опор. Штатную передачу нагрузки как раз и обеспечивают опорные части. В мостостроении чаще всего используют резиновые опорные части РОЧ, — преимущественно под сборные железобетонные балки автодорожных мостов и металлические опорные части. РОЧ укладывают на железобетонные подферменники (трапециевидные тумбы) и уже на них монтируют балки. Затем к нижней грани балки (в которую на заводе вделаны закладные детали) приваривают металлические ограничители, таким образом РОЧ, как прокладка, круглогодично обеспечивает перемещения железобетонной балки относительно железобетонных опор. С металлическими опорами немного сложней. Они бывают разного производителя с различными особенностями изготовления. Заказ осуществляется на основании данных проекта. Особенность ОЧ заключается в следующем: верхняя часть ОЧ надёжно прикреплена к нижнему поясу балки; нижняя часть вделана в колодцы железобетонных подферменников; работа происходит за счёт движения или поворота металлических частей (балансиров) ОЧ относительно друг друга. При этом в подвижных ОЧ нижний балансир смещается относительно верхнего по указанной температуре. Только потом осуществляется надёжное крепление балансиров ОЧ.
Деформационные швы[править]


Для обеспечения свободных продольных деформаций пролётных строений мостов, вызываемых изменением температуры и воздействием подвижной нагрузки, проезжую часть в местах примыкания к устоям, а также при сопряжении смежных пролётных строений (если надо) прерывают, и делают там деформационный шов. Он обеспечивает свободы перемещений ПС, непрерывность, ровность мостового полотна. На автодорожных мостах чаще всего делают многопрофильные металлические деформационные швы на заводе и поставляют на стройку как изделие. Они представляют из себя специальные оцинкованные профиля, которые надежно крепятся к опорам и пролётным строениям поперёк моста. Чаще всего за счёт устройства специальных монолитных участков. Перед бетонированием расстояние (зазор) между профилями выставляют по температуре, согласно паспорту изделия и проекту. Затем, после того как бетон схватился, вставляют между профилями изделия резиновый компенсатор. К ортотропным плитам металлических пролётных строений дефшвы обычно крепят сваркой. На автодорожных мостах, возведённых из железобетонных балок, либо небольших металлических пролётных строений с железобетонной плитой проезжей части перемещениями до 50 мм, стали применять специальную смесь «Thorma Joint» на основе полимербитумного вяжущего. На выходе получается закрытый дефшов без скачков и перепадов. О технологии можно ознакомиться здесь.[21]
При совочке и Эльцнере конструкция дефва представляла собой окаймляющий бетон уголок со стороны пролёта и устоя, а также приваренную к одному из уголков мощную перекрывающую всю ширину моста пластину.
Такое внимание конструкциям дефшвов уделяется по той причине, что криворукие строители делают так, что в местах заезда и съезда с мостов часто безбожно разделывается асфальт, ходовая автотранспорта.
Железных дорог эта не касается, там предусмотрен температурный компенсатор на рельсах.
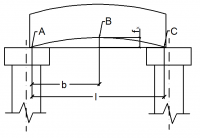
Строительный подъём[править]

Балки, нижние пояса арок, ферм от собственного веса, вышележащих конструкций, а также от временных нагрузок прогинаются вниз. Чтобы компенсировать этот прогиб на заводе, а также при укрупнённых сборках пролётных строений закладывается обратный выгиб конструкций вверх, чтобы компенсировать этот прогиб. Строительный подъём, — это гипотетическая кривая, компенсирующая деформации конструкции, а величина строительного подъёма — это линейный размер, между условным отрезком (А-С, см. схему) проведённым между нижними гранями концов балок и фактической нижней гранью балочной конструкции. Соответственно величина обратного строительного подъёма, — обычно и есть прогиб. Логично, что к середине балки (b) строительный подъём будет увеличиваться. По мере нагружения конструкции величина строительного подъёма, если всё правильно рассчитано, будет уменьшаться. К слову, во время испытания мостов нагрузкой (если это требуется при сдаче в эксплуатацию), основной показатель, который фиксируют прогибомеры, имеет непосредственное отношение к заложенному заранее при строительстве строительному подъёму. На глаз величину строительного подъёма определить невозможно, это делают инструментально, лаборатория или чаще всего геодезическая служба. Незнание этих азов грозит масштабными переделками и различными инсинуациями со стороны диванных строителей. Величина строительного подъёма (fk) в середине балки (B) не может быть меньше 1/400 длины (l) балки умноженной на 0,4. Проще говоря величина строительного подъёма стандартной 33-х метровой железобетонной заводской балки не может быть меньше 33-35 мм.
Гидроизоляция[править]



Гидроизоляция пролётных строений мостов критически необходима, чтобы обеспечить надёжность и долговечность как самих балок, так и нижележащих конструктивов. Вода, как известно, главный враг строителей, особенно дорожников и мостовиков. Уложить надёжную гидроизоляцию на мосту примерно также важно, как и перекрыть без протечек крышу дома.
Материалы и способы гидроизоляции из года в год до санкций совершенствовались. Долгое время было принята наплавляемая гидроизоляция типа мостаизола, в рулонах на битумной основе. Гидроизоляция привередливая и требует непомерной ебли. Чаще всего работяги с горелками её недоплавляют, тогда она отрывается, или переплавляют, тогда она прожигается, приходится отрывать кусками и рулонами и переделывать. Чаще всего строители кладут болт и мосты всю жизнь текут, особенно в местах водосточных воронок и швов балок. Застоявшаяся под асфальтом вода зимой при замерзании разрывает покрытия и конструктивы моста.
Ближе к войне мостовики стали немножко умнеть, закладывая на гидроизоляцию современные материалы. Так стали применяться несколько компонентные смеси от известных производителей, основанных на полимерах, эпоксидной смолы, со специально разработанными заполнителями. Для обеспечения сцепления с вышележащими асфальтобетонными слоями свеженанесённая гидроизоляция посыпается специальными гранулами (пеллетами), которые под воздействием температуры горячей асфальтобетонной смеси плавится и делает гидроизоляцию неубиваемой на века. Материал устойчив к воде, битуму и противообледенительным солям. Содрать или оторвать невозможно. Проверено.
Понтонные мосты, временные мосты[править]





Представляют собой не искусственные сооружения, а переправы, располагающиеся непосредственно на воду таким образом, что по ним возможен переход людей, гужевых повозок и техники. Применяются со времён Римской Империи и даже раньше, особенно в военном деле. Понтонные мосты бывают совершенно разных конструкций, в зависимости от применяемых материалов. В царской армии применялся парусиновый понтон. Он представлял собой деревянный каркас (прясла), обтянутый парусиной. На вид был похож на гроб, только без крышки. Предназначен для создания плавучих опор при наведении наплавного моста под все типы военных грузов, имевшихся в Русской Армии в XVIII—XIX веках. Состоял на вооружении понтонных частей Русской Армии наряду со схожими по конструкции и размерам деревянными понтонами, а также понтонами с медной и жестяной обшивкой вплоть до второй половины XIX века. В наше время чаще всего используют пластиковые, алюминиевые и стальные понтоны. Металлические понтоны изготавливаются либо полностью пустотелыми, либо в полости внутри них нагнетают лёгкий материал, типа пены. Понтонные мосты можно достаточно быстро возвести и они не зависят от глубины водоёма и несущей способности грунта. Зато за ними нужно постоянно следить, много мороки с пропуском судов, а также их эксплуатация зависит от времени года.
Временные мосты представляют собой максимально упрощённые по конструкции сооружения, возводимые из модульных материалов, рассчитанные на нагрузки в зависимости от функционала. Временные мосты обычно после использования демонтируют. В современных условиях временные мосты и рабочие мостики разрабатываются в составе проектной и рабочей документации раздела СВСиУ (специальные вспомогательные сооружения и устройства). В большинстве случаев временный мост выглядит так: на n-ую глубину погружаются металлические трубы в два ряда, срезаются резаком «под отметку», связываются между собой поперечными металлическими ригелями из прокатного профиля, далее укладываются продольные накаточные пути, как правило из спаренного прокатного профиля, укладывается настил, возводятся ограждения.
Умение быстро и качественно возводить понтоны и временные мосты для переправ крайне ценно на войне. Так сражение на реке Березине 14 (26) ноября 1812 года могло закончиться для Наполеона полным разгромом и пленением его и всего генералитета. Основная часть войск Бонапарта оказалась отрезанной рекой Березиной от путей отступления. Существующие мосты были сожжены, либо под огневым контролем русских войск. Так мост в г. Борисов 9 (21) ноября был занят русскими, и несмотря на то, что он был отбит басурманами, переправа была там ожидаема и был риск разгрома. Положение французов спасли инженеры-мостовики. Сооружение временных мостов в н.п. Студенка начали в восемь часов утра, одновременно с высадкой десанта на правый берег. Достаточное количество козел заготовить не успели, так что их изготовление продолжалось весь день. На каждый мост использовали 23 козла, то есть в каждом мосту образовалось 24 пролёта длиной около 4 метров. Высота козел колебалась от одного до двух с половиной метров. Ширина верхних перекладин козел составляла 4 метра.
Переводины (то есть брус на который укладывается настил) брали пятиметровые, диаметром 12-16 сантиметров. За отсутствием времени в четырёхугольную форму их не обтёсывали. Правый, более лёгкий мост, строившийся в первую очередь, настилали в три ряда старыми полусгнившими досками-полудюймовками (порядка 12 мм), снятыми с крыш разбираемых домов. Для артиллерийского моста использовался кругляк 7,5-10 см в диаметре, длиной 4 метра.
Для установки козел понтонёры должны были, несмотря на ледоход, по плечо погружаться в воду и в таком положении удерживать козлы до тех пор, пока те не были закреплены переводинами. Периодически они вылезали на берег, к горящим кострам погреться и получить водки. Некоторые их них тут же и падали замертво прямо к ногам Наполеона, с самого начала находившегося при постройке мостов. Почти никто из более чем сотни человек, работавших в воде, эту переправу не пережили. Умерев или здесь же на берегу Березины, или в ближайшие дни.
Неожиданно возникшая переправа позволила французам спасти гвардию и часть боеспособных полков. Основная же масса лягушатников была жёстка распидорашена прибывшей к месту переправы русскими войсками и артой. Паникуя басурманская шваль разломала свои же мосты и попадала в воду. Выживших добил мороз и казаки.[22]
Впрягающийся за хохлов евроКуколд Макрон должен прекрасно понимать, что на тот момент французская армия и инженерная мысль были сильнейшими в мире, и то были наказаны суровой российской действительностью. Ныне изнеженные правами человека и гомосятиной европейцы едва ли способны хоть на малую долю того, на что была способна блестящая армия Бонапарта во времена наполеоновских войн.
Канатные, верёвочные мосты[править]


Древнее изобретение, которое не отжило до сих пор, — это канатные или верёвочные мосты. С точки зрения классификационных характеристик искусственными сооружениями не являются, но функции выполняют схожие. Обычно в горной местности при небольшой интенсивности пешеходов небольшие поселения как раз связывают между собой такими изделиями, натянутыми над горными реками или пропастями. Конструкция чаще всего представляется натянутыми верёвками с деревянным настилом под ногами и веревочные перила с верёвочным же заполнением. Держаться такие переходы за счёт силы натяжения канатов. Амплитуда раскачивания зависит от длины таких переходов, натяжения и погодных условий.
Специфическими мостами в джунглях считаются «живые мосты» выращенные из лиан и корней деревьев. В месте, выбранном для сооружения будущего моста, сажают фикус каучуконосный (фикус эластичный), воздушные корни которого направляются людьми на противоположный берег. Достигнув земли, они цепляются за каменистый грунт, образуя корневую систему уже непосредственно в почве. Со временем корни разрастаются, их скручивают между собой, рукотворный живой мост становится крепче с каждым годом, а его длина может достигать 50 метров. Возраст отдельных мостов достигает 500 лет. Эти удивительные мосты встречаются в труднодоступных районах Индии в которых выпадает избыточное количество осадков. [23]
Интересное о мостах[править]
Резонанс[править]
Резонанс — это резкое увеличение амплитуды колебаний системы, в случае вынужденных колебаний, вызванных внешним источником. Как ни крути, но построенный мост обладает собственными колебаниями, связанными с разными факторами, особенно мост подвесной. Известен случай, когда Египетский мост в Санкт-Петербурге рухнул, когда по нему проходила военная колонна. Выдвинулось предположение, что конно-гвардейский полк шел по нему слишком ритмично и колебания, создаваемые шагами военных, вызвали в конструкции моста резонанс. Так появилась команда «идти не в ногу». В середине XIX века близ города Анжур во Франции по мосту длиной 102 метра проходил отряд солдат. Внезапно мост стал раскачиваться и рухнул. Погибли 226 человек.
Похожее событие произошло с подвесным мостом, проходящим через пролив Такома-Нэрроуз в штате Вашингтон. Мост был официально открыт в июле 1940 года и считался одним из самых больших в свое время. Еще на этапе проектирования строители прозвали мост «Галопирующей Герти» из-за того, что тот раскачивался во время ветра. Общая длина моста составляла 1810 метров. А длина центрального подвешенного пролета — 854 метра. В ширину мост был около 12 метров. Основные несущие тросы в диаметре составляли 438 миллиметров. 7 ноября 1940 года, когда период эксплуатации составлял всего четыре месяца, произошло событие, вошедшее в анналы мостоведения как «разрушение Такомского моста». В этот день скорость ветра достигла 65 км/час, и мост резонируя с колебаниями от ветра эпично рухнул в воду.[24]
Мост Кличко[править]

Хохлы решили доказать, что они способны не только переименовывать мосты, улицы и проспекты, построенные Советским Союзом, именами нацистских хероев, но и как Путин и Эрдоган могут сами строить новые, нужные, и недорогие мосты. Строительство пiшохидно-велосипедниго мiста мiж парками «хрещатий» та «володимирська гiрка» длиной 212 метров и шириной от 6 до 14 метров началось в конце 2018 года. Трёхпролётный мост должен был стать архитектурным чудом Киева, так как был построен по ворованному выигравшему городской конкурс проекту швейцарской компании Leuppi & Schafroth Architekten, а всё что придумал барин для хохлов подефолту инновационно, прогрессивно, креативно, и несомненно предполагает возможность (для хохлов, — прим. автора) обмазаться европейской идентичностью. Правда ещё на стадии строительства градостроитель и журналист Виктор Глеба заявил:
Я выезжал с журналистами на этот мост, когда он ещё строился. Мы, переодевшись строителями и надев каски, подошли впритык к тому месту, которое треснуло, — проблемный узел с перилами и примыканием к парку Владимирская горка. Мы присутствовали во время сварочных работ, монтажа плиты, мы увидели, как работают строители, какими темпами. Работы шли с нарушением технологий и календарного плана.
Член-корреспондент Академии искусств Украины, зампредседателя Украинского общества охраны памятников истории и культуры, архитектор Лариса Скорик, прогулявшись по мосту заявила:
Это просто какое-то тяжеленное уродство. Этот мост архитектурно неэстетичен, он не обогащает, а обедняет среду. К тому же он не выполняет своих функций, уже под вопросом его прочность. Через какие-то полгода наш мэр скажет, что «мост устал».
Архитекторша ошиблась. Мост Кличко (так его оговорили сами киевляне) «устал» на следующий же день после открытия. Виталий Кличко, который вместе с братом Владимиром демонстративно прыгали по его стеклянной части (хохл. идентичность, — прим. автора), сквозь которую открывался красивый вид вниз, был крайне зол, что «непробиваемое» стекло почти сразу треснуло.[26] Он сразу предположил, что мост разрушили вандалы, а возможно даже стреляли по его стеклянной части. Вскоре мiст закрыли и ремонтировали два раза по нескольку месяцев. К счастью в мост попала ракета, и все 275 миллионов гривен можно свалить на «клятых москалей».[27]
Особенности наркопидорских мостов, спроектированных и построенных из говна и палок[править]


Есть дурацкая привычка восхищаться Западом и пресмыкаться перед всем тем, что они придумали, при этом намеренно занимаясь самобичеванием и унижением своей научно-инженерной мысли по этнокультурному признаку. Автору статьи приходилось управлять строительным участком на наркопидорских стройках, и он досконально осведомлён обо всех идиотских правилах и требованиях «западных партнёров», включая работу уборщиц на проходной в строительных касках, снимать которые в течении дня нельзя под угрозой увольнения. Что же касается организации работ, а самое главное нормативно-технической базы, то на вопрос по каким допускам нам работать, пиндосы и подпиндоссники переглянулись и нехотя ответили: «по русским, они сами строгие в мире».
Ночью 26 марта 2024 года грузовое судно с флагом Сингапура (зафрахтовано датской компанией Maersk) врезалось в опору моста имени Фрэнсиса Скотта Ки в американском Балтиморе, в результате чего вся конструкция обрушилась в воду, а часть пролёта рухнула на корабль.[28] Из-за времени суток количество пострадавших оказалось минимальным, но зато по оценкам экспертов стоимость восстановления сооружения приближается к миллиарду долларов, нарушено сообщение внутри региона Пиндостана.[29] Экономические последствия обрушения этого моста в девятом по объемам обработки грузов американском внешнеторговом порту могут затронуть не только региональную логистику, но и оказать серьезное влияние на мировую торговлю. Прямой ущерб от разрушения моста составляет $81 млрд. Известно, что мост был построен в 1977 году, длина его составляла 2,6 км. На разлетевшихся по интернету видео запечатлено, как потерявшее управление судно навалилось на хлипкую опору и металлические пролёты из ферм сложились как карточное домино. Кстати, на специализированном сайте, где моряки размещают резюме, капитаном Dali значится 52-летний украинец C.[30]
Опомнившись от первоначального шока барин стал захищаться, что мол-де не многие мосты могут выдержать прямое попадание 95 000-тонного корабля, не разрушившись. И если бы его построили сегодня, у него было бы больше шансов. Сразу можно парировать, что ещё в советский нормативах на проектирование мостов 1962 года (СНиП II-Д.7-62 Мосты и трубы. Таблица 5)[31] учитывается нагрузка от навала судов, и наши мосты, включая те что строились в Украинской Советской Социалистической Республике должны были выдерживать удар судна (более того они выдерживают прямые попадания ракет, и хоть бы хуй[32]). Поэтому опоры и назвались «быками», а вокруг таких опор предусматриваются защитные сооружения, — палы. И уж точно бы никто не догадался спроектировать в фарватере утлую металлическую ферму на тщедушных бетонных ножках. Гайдарочубайсы, обучаемые методам внедрения экономических моделей управления в США, пытались развалить нашу высшую школу, но к радости она выдержала испытания бедностью. Поэтому что посеешь, то и пожнёшь. Пиндосы и впредь будут пожинать плоды своей «экономии на презервативах» «затратами на аборты».
Американские мосты. Наелись и спят[править]
| Фото | Аннотация |
|---|---|
| Полиция американского штата Мэриленд сообщает, что шесть человек, пропавших без вести после обрушения моста Фрэнсис Скотт Ки во вторник в Балтиморе признаны погибшими. | |
| В Порт-Изабель (штат Техас) баржа врезалась в четырехкилометровый мост Queen Isabella Causeway, который считается самым длинным мостом в штате. В результате столкновения обрушилась одна из секций моста, ведущая в Порт-Изабель. Несколько автомобилей с пассажирами упало в воду. Двое погибших.[33] | |
| Штат. Оклахома: на реке Арканзас 61-летний рулевой баржи на две минуты потерял сознание. Она врезалась в опору моста. 13 фрагов.[34] | |
| Флорида. 9 мая 1980 года зарегистрированное в Либерии судно-перевозчик фосфатов Summit Venture во время шторма врезалось в опору моста Sunshine Skyway, соединяющего американский Санкт-Петербург и Рубонию через Тампа-Бэй. Пролёт рухнул в воду, 35 американцев погибло. Кроме того, мост занимает четвертое место в рейтинге «излюбленных» у самоубийц. По неофициальным данным за время существования моста, успешно постучались в РКН с него 245 человек, 38 были спасены. Только за 2015 год насчитали 12 случаев самовыпила.[35] | |
| В результате обрушения моста I-35W в Миннеаполисе в 2007 году. В час пик движение на мосту было приостановлено, и десятки автомобилей упали в реку Миссисипи. Тринадцать человек погибли и 145 получили ранения.[36] |
Мосты и война[править]
Вандальный долб мостов дисциплина особой специальной олимпиады в военное время. Мост на войне считается искусственным сооружением-комбатантом, законная цель вундервафель и взрывчатки.
Вечером 31 мая и в ночь на 1 июня 2025 года в Брянской и Курской областях из-за террористических подрывов рухнули мосты — с рельсов сошли пассажирский и грузовой поезда. В результате в Брянской области погибли семь человек и еще минимум 71 ранен, а в Курской пострадали три сотрудника поездной бригады.
Перенос невесты через мост[править]

Расововерный древнерусский и скандинавский обычай переноса на руках женихом невесты через мост на другой берег реки. Испытание считается успешно пройденным, если прошло в безостановочном режиме, жених справился сам, а невеста не коснулась при этом самого моста. Действо символизирует способность молодых пройти жизненный путь вместе, ибо мост считался символом между прошлым и будущем, связь между мирами, и на этом пути каждого прохожего ждет нечистая сила, нежить. Альсо скандинавские мифы рассказывают, что все души покойных проходят по мосту, чтобы попасть в страну богов — в Вальгаллу. И тот, кто не справится с испытаниями по дороге, попадет в подземное царство Хель, аналогичное аду с его муками и страданиями. В свою очередь в славянских поверьях Калинов мост соединяет мир живых и мир мёртвых. Мост, являющийся границей, последним рубежом, перед царством Мораны, охраняется Трёхглавым Змеем. Именно по этому мосту души переходят в царство мёртвых. И именно здесь русские сдерживают угрожающие добру силы зла (в лице различных змеев), и многоглавых Чудо-ЮДО.
А вот вешать разные замки на мостах, «символизирующих любовь до гроба», — это не наша, а басурманская традиция, бездумно скопированная во времена эльцнеровской культурной экспансии.
Другие значения[править]
- Мост автомобиля. Комплекс узлов и агрегатов автомобиля, которые служат для поддержания рамы и кузова и передачи от них на колеса вертикальной нагрузки, а также для передачи от колес на раму (кузов) толкающих, тормозных и боковых усилий. У легковых машин бывают передние и задние мосты, у грузовых ещё промежуточные и подкатные.[37]
- Зубной мост — это ортопедическая конструкция, фиксированный (постоянный) протез, который заменяет один или несколько отсутствующих зубов во рту. Зубные мосты имитируют внешний вид, форму и функцию естественных зубов.
- Блокчейн, криптовалютные мосты. Служат для перевода крипты из одной сети в другую. Такая функция обычно встроена в централизованные криптобиржи, такие как Binance, Bybit и т. д. Но существуют и децентрализованные мосты, работающие при помощи смарт-контрактов.[38]
- Мосты на материнской плате компа. Это такие чипы, которые называют северным и южным мостом. Называют мостами потому, что они выполняют связующую функцию между центральным процессором компьютера и остальными комплектующими.
- Мосты Tor — это специализированные скрытые серверы, предназначенные для использования в качестве секретных точек входа в сеть Tor.
- Мост между зданиями — открытый или закрытый переход, опорами которого служат конструкции сооружения промышленного и гражданского строительства. Внешне выглядит как мост, но отдельным искусственным сооружением не является.
- Мост, Иоганн Иосиф, — еврейский расовый жид, поэт-песенник, левак-дегенерат, социал-демократ, анархист, публицист, по профессии переплетчик книг. Жужжал второй половины XIX вв. Сидел за пропаганду терроризма, что впрочем не мешало быть депутатом рейстага. Известный в марксистской тусовке как последователь философии Дюринга, а также участник, переписавший «Капитал» Мордахея Леви простыми словами под названием Kapital und Arbeit.
Пруф.
Анекдот[править]
Старый бульбаш-поджидок жалуется сам себе:
- Я, Владимир Марк Маккормак, построил два хороших крепких моста через реку. Вся
кибуца теперь ходит по этим мостам и радуется. Но никто, никто не
называет меня «Владимир Марк Маккормак, Строитель Мостов»!
- Я, Владимир Марк Маккормак, когда на нашу кибуцу напали ночью подлые
арабы, первым выскочил из дома и убил двенадцать врагов, получив при
этом только две царапины. Но никто, никто не называет меня «Владимир Марк Маккормак,
Воин»!
- Я, Владимир Марк Маккормак, искустный кузнец. Я сковал столько мечей, что даже
наши внуки не будут испытывать в них недостатка. Но никто, никто не
называет меня «Владимир Марк Маккормак, кователь Мечей».
- Но стоило мне ОДИН РАЗ написать на Неолурке, что я нищеброд отсосу за сто рублей....
Читать ещё[править]
- Крымский мост
- Регламент по осуществлению строительного контроля при производстве мостостроительных работ
- Регламент на осуществление приёмки исполнительной документации
Примечания[править]
- ↑ ГОСТ 33178-2014. «Дороги автомобильные общего пользования. КЛАССИФИКАЦИЯ МОСТОВ».
- ↑ «Водный мост Veluwemeer»
- ↑ Комбинированной системы, состоящей из 2-х гибких арок и жесткой затяжки, представленной на участке над фарватером Керчь-Еникальского канала длиной 227 м
- ↑ СП 35.13330.2011. «Свод правил. Мосты и трубы. Актуализированная редакция СНиП 2.05.03-84*.»
- ↑ ГОСТ 32960 — 2014 «Дороги автомобильные общего пользования НОРМАТИВНЫЕ НАГРУЗКИ, РАСЧЕТНЫЕ СХЕМЫ НАГРУЖЕНИЯ».
- ↑ Андреевский (Пушкинский) пешеходный мост
- ↑ «Ехал с поднятым кузовом: обрушение пешеходного перехода унесло жизни двух водителей».
- ↑ ГОСТ 26775-97 «ГАБАРИТЫ ПОДМОСТОВЫЕ СУДОХОДНЫХ ПРОЛЕТОВ МОСТОВ НА ВНУТРЕННИХ ВОДНЫХ ПУТЯХ.»
- ↑ ГОСТ Р 52748-2007 «Дороги автомобильные общего пользования НОРМАТИВНЫЕ НАГРУЗКИ, РАСЧЕТНЫЕ СХЕМЫ НАГРУЖЕНИЯ И ГАБАРИТЫ ПРИБЛИЖЕНИЯ.»
- ↑ ГОСТ 9238—2013 «ГАБАРИТЫ ЖЕЛЕЗНОДОРОЖНОГО ПОДВИЖНОГО СОСТАВА И ПРИБЛИЖЕНИЯ СТРОЕНИЙ»
- ↑ ГОСТ 23961-80 «МЕТРОПОЛИТЕНЫ ГАБАРИТЫ ПРИБЛИЖЕНИЯ СТРОЕНИЙ ОБОРУДОВАНИЯ И ПОДВИЖНОГО СОСТАВА»
- ↑ Лисов, Валерий Михайлович — «Мосты и трубы :Учеб. пособие по спец. 29.10».
- ↑ П. М. Саламахин, В. И. Попов «Автодорожные и городские мосты в России.»
- ↑ «Мост Золотые Ворота»
- ↑ Европу и Азию связали новым мостом.
- ↑ Утверждена итоговая стоимость строительства Крымского моста.
- ↑ Киевские мосты через Днепр. С близкого расстояния. 2013.
- ↑ Негомедзянова Айгуль Азатовна, Овчинников Игорь Георгиевич, Вестник Евразийской науки «О конструкции разводных мостов».
- ↑ Железнодорожный мост Форт-Бридж.
- ↑ Мост Миллениум (The Gateshead Millennium Bridge).
- ↑ «Дефшвы закрытого типа Thorma®Joint».
- ↑ Гибель Великой армии Наполеона на Березине.
- ↑ «Живые мосты штата Мегхалая и Черапунджи.»
- ↑ «Такомский мост история и современность.»
- ↑ «Трагикомедия „моста Кличко“. Похоже, мэр Киева останется без моста и без денег.»
- ↑ «Не Крымский: в Киеве сломался ворованный мост после прыжков братьев Кличко»
- ↑ Во время взрыва в Киеве разрушен «Мост Кличко».
- ↑ «Coast Guard Ends Search for 6 Missing in Bridge Disaster.»
- ↑ «Восстановление рухнувшего моста в Балтиморе может стоить от $400 млн до $1 млрд»
- ↑ «Сложился, как игрушечный: инженер объяснил, почему рухнул мост в Балтиморе».
- ↑ СНиП II-Д.7-62 «Мосты и трубы.»)
- ↑ «Почему советский мост в Херсоне выдержал удары американскими ракетами».
- ↑ «21 years since South Padre Island’s tragic Queen Isabella Memorial Causeway collapse.»
- ↑ «Число жертв обрушения моста в Оклахоме достигло 13 человек.»
- ↑ «Tampa Bay (Sunshine Skyway) Bridge Disaster»
- ↑ «The Minnesota Bridge Collapse, 5 Years Later.»
- ↑ «Мосты грузовых автомобилей: классификация, устройство и назначение.»
- ↑ «Что такое мосты в блокчейне и зачем они нужны.»










