Регламент на осуществление приёмки исполнительной документации
1. ОБЩИЕ ПОЛОЖЕНИЯ[править]
1.1. Настоящий Регламент устанавливает порядок оформления, приёмки-передачи исполнительной документации, ведения накопительных ведомостей при ведении строительного контроля.
1.2. Действие настоящего Регламента распространяется на порядок приёмки работ в рамках договоров, заключенных в установленном порядке на выполнение работ по реконструкции, строительству или комплексному обустройству объектов.
1.3. В соответствии с Приказом Ростехнадзора от 9 ноября 2017 года ТЧ 470 при строительстве и реконструкции объектов капитального строительства, затрагивающих конструктивные и другие характеристики надёжности и безопасности объектов, исполнительная документация подлежит хранению юридическим лицом, осуществляющим строительство (Подрядной организацией), до проведения Мосгосстройнадзором (в дальнейшем по тексту Ростехнадзором) проверки законченного строительством, реконструкцией объекта капитального строительства. Для проведения проверки законченного строительством, реконструкцией объекта капитального строительства юридическим лицом, осуществляющим строительство (Подрядной организацией), в орган государственного строительного надзора представляется перечень (реестр) всей исполнительной документации, составленной при строительстве, реконструкции объекта капитального строительства. Мосгосстройнадзором исполнительная документация запрашивается в объёме, необходимом для проведения сценки соответствия выполненных работ и применённых строительных материалов требованиям технических регламентов, иных нормативных правовых актов и проектной документации.
После выдачи заключения о соответствии построенного, реконструированного объекта капитального строительства требованиям технических регламентов, иных нормативных правовых актов и проектной документации (далее — заключения о соответствии), исполнительная документация передается Техническому Заказчику на постоянное хранение не позднее пяти рабочих дней после выдачи заключения о соответствии.
В соответствии с РД-11-05-2007 заполненные общий журнал работ и специальные журналы работ подлежат хранению в архиве Технического Заказчика до проведения Мосгосстройнадзором итоговой проверки. На время проведения итоговой проверки общий журнал работ передаётся Техническим Заказчиком в орган государственного строительного надзора. После выдачи Мосгсстройнадзором заключения о соответствии, заполненные общий журнал работ и специальные журналы работ передаются Техническому Заказчику на постоянное хранение.
1.4. Для целей настоящего Регламента используются следующие основные понятия:
- а) Акты освидетельствования — документы, являющиеся частью исполнительной документации: акты освидетельствования геодезической разбивочной основы объекта капитального строительства, акты разбивки осей объекта капитального строительства на местности, акты освидетельствования скрытых работ, акты освидетельствования ответственных конструкций, акты освидетельствования участков сетей инженерно-технического обеспечения, оформленные в соответствии с Градостроительным кодексом РФ, РД-11-02-2006 «Требования к составу и порядку ведения исполнительной документации при строительстве, реконструкции, капитальном ремонте объектов капитального строительства и требования, предъявляемые к актам освидетельствования работ, конструкций», утверждено Приказом Федеральной службы по экологическому, технологическому и атомному надзору от 26 декабря 2006 г. № 1128 (с изменениями и дополнениями) и дополненные необходимым количеством текстовых и числовых данных в соответствии с требованиями настоящего Регламента;
- б) Ведомость объёмов и стоимости работ — перечень наименований, объёмов и стоимостей, планируемых к выполнению на объекте капитального строительства работ в соответствии с заключенным договором;
- в) Исполнительная документация — текстовые и графические материалы, отражающие фактическое исполнение проектных решений и фактическое положение объектов капитального строительства и элементов в процессе строительства, реконструкции, комплексного обустройства объектов капитального строительства по мере завершения определённых в проектной документации работ;
- г) Инженер-геодезист Технического Заказчика — ответственное лицо, являющееся в соответствии с приказом уполномоченным на осуществление функции геодезического контроля на объекте капитального строительства, а также проверку и подписание исполнительных схем Подрядчика в части достоверности инструментальных съемок и отклонений от РД;
- д) Инспектор строительного контроля Технического Заказчика — ответственное лицо, являющееся в соответствии с приказом (согласно статьи 53 Градостроительного кодекса РФ) уполномоченным на осуществление функции строительного контроля и приёмку выполненных работ, руководствуясь соответствующими Регламентами Технического Заказчика на объекте капитального строительства, а также на подписание Актов освидетельствования. Инспектор строительного контроля объекта несет персональную ответственность за качество и объём освидетельствованных работ, а также комплектность и правильность оформления исполнительной документации и Реестра освидетельствованных работ;
- е) Накопительная ведомость — детализированная (на основании данных форм № КС-2) по отчётным периодам ведомость фактически выполненных объёмов и стоимостей работ, оформленная на основании унифицированной формы первичной документации КС-ба;
- ж) Общий журнал работ — журнал, в котором ведётся учет выполнения работ при строительстве, реконструкции, капитальном ремонте объекта капитального строительства. Является ОСНОВНЫМ документом, отражающим последовательность осуществления строительства, реконструкции, капитального ремонта объекта капитального строительства, в том числе сроки и условия выполнения всех работ при строительстве, реконструкции, капитальном ремонте объекта капитального строительства, а также сведения о строительном контроле и государственном строительном надзоре. Ведётся в соответствии с РД-11-05-2007 «Порядок ведения общего и (или) специального журнала учёта выполнения работ при строительстве, реконструкции, капитальном ремонте объектов капитального строительства», утверждено Приказом Федеральной службы по экологическому, технологическому и атомному надзору от 12 января 2007 года (с изменениями и дополнениями). Подлежит обязательной регистрации в МГСН (Ростехнадзоре);
- з) Специальные журналы работ — документы, отражающие выполнение отдельных видов работ по строительству, реконструкции, капитальному ремонту объекта капитального строительства;
- и) Подрядная организация — лицо, осуществляющее строительство, выполняющее строительно-монтажные работы на объекте капитального строительства в соответствии с договором (соглашением), заключенным в установленном порядке с Техническим Заказчиком;
- к) Приёмка выполненных работ — проверка фактически выполненных работ в натуре, с обязательным выездом на строящийся (реконструируемый) объект, проверка исполнительной документации, осмотр и проведение необходимых измерений, сопоставление предъявляемых объёмов работ по реестру освидетельствования работ утверждённой рабочей документации, проверка документации, проверка, визирование и подписание форм КС-2;
- л) Формы КС-2 и КС-З — унифицированные формы первичной учётной документации по учёту работ в капитальном строительстве, утвержденные постановлением Госкомстата России от 1 ноября 1999 года № 100.
2. ОСВИДЕТЕЛЬСТВОВАНИЕ РАБОТ[править]
2.1. По мере готовности работ и конструкций, показатели качества которых влияют на безопасность объекта и подлежат оценке соответствия требованиям нормативных документов и стандартов, являющихся доказательной базой соблюдения требований технических регламентов, Подрядная организация не позднее, чем за два рабочих дня, извещает строительный контроль Технического Заказчика о сроках выполнения соответствующей процедуры по электронной почте, а также оформляет вызов специалиста строительного контроля посредством записи в журнале вызовов на освидетельствование выполненных работ с указанием вида и места выполненных работ, а также контактного телефона, за подписью лица, осуществляющего строительство.
Выявленные настоящей процедурой дефекты должны быть устранены.
До устранения выявленных дефектов и оформления соответствующих актов освидетельствования выполнение последующих работ недопустимо.
2.2. При приёмке выполненных работ подрядчик должен предоставить специалисту строительного контроля следующий пакет документов: согласованную ПСД (в том числе СВСиУ), исполнительные схемы, заполненный общий журнал работ, результаты лабораторных испытаний (при необходимости), документы о качестве использованных материалов и изделий.
2.3. По факту приёмки выполненных работ, при отсутствии замечаний, делается отметка в журнале вызовов, подписывается акт освидетельствования. При наличии нарушений в СМР выдаётся предписание на устранение выявленных нарушений.
3. ПОРЯДОК ВЕДЕНИЯ И ПРОВЕРКИ ИСПОЛНИТЕЛЬНОЙ ДОКУМЕНТАЦИИ[править]
3.1. Исполнительная документация ведётся на бумажном носителе Генеральным подрядчиком в четырёх экземплярах: четыре оригинала актов освидетельствования и четыре оригинала прилагаемых исполнительных схем. Копии приложений должны быть заверены штампом «копия верна» и подписью ответственного исполнителя Подрядной организации.
В состав исполнительной документации включаются следующие материалы:
Акты освидетельствования геодезической разбивочной основы объекта капитального строительства и Акты разбивки осей объекта капитального строительства на местности. Оформляются в соответствии РД-11-02-2006 «Требования к составу и порядку ведения исполнительной документации при строительстве, реконструкции, капитальном ремонте объектов капитального строительства и требования, предъявляемые к актам освидетельствования работ, конструкций», утверждено Приказом Федеральной службы по экологическому, технологическому и атомному надзору от 26 декабря 2006 г., № 1128 (с изменениями и дополнениями).
Освидетельствование работ, которые оказывают влияние на безопасность объекта капитального строительства в соответствии с технологией строительства, реконструкции, капитального ремонта, контроль за выполнением которых может быть проведён после выполнения других работ (далее — скрытые работы), оформляется актами освидетельствования скрытых работ, по образцу, приведенному в приложении № 3 РД-11-02-2006. Перечень скрытых работ, подлежащих освидетельствованию, определяется проектной и рабочей документацией.
Освидетельствование строительных конструкций, устранение выявленных в процессе проведения строительного контроля дефектов в которых невозможно без разборки или повреждения других строительных конструкций и участков сетей инженерно-технического обеспечения (далее — ответственные конструкции), оформляется актами освидетельствования ответственных конструкций по образцу, приведённому в приложении № 4 РД-11-02-2006. Перечень ответственных конструкций, подлежащих освидетельствованию, определяется проектной и рабочей документацией.
Освидетельствование участков сетей инженерно-технического обеспечения, устранение выявленных в процессе проведения строительного контроля недостатков в которых невозможно без разборки или повреждения других строительных конструкций и участков сетей инженерно-технического обеспечения, оформляется актами освидетельствования участков сетей инженерно-технического обеспечения по образцу, приведённому в приложении № 5 РД-11-02-2006. Перечень участков сетей инженерно-технического обеспечения, подлежащих освидетельствованию, определяется проектной и рабочей документацией.
В состав исполнительной документации также включаются следующие материалы в виде приложений к актам освидетельствования:
- а) проверенные и подписанные инженером-геодезистом Технического Заказчика исполнительные (геодезические) схемы, включая данные о фактически выполненных объёмах работ по соответствующим позициям, в единицах измерения ведомости объёмов работ проектной документации;
- б) проверенные и подписанные инженером-геодезистом Технического Заказчика исполнительные схемы и профили участков сетей инженерно-технического обеспечения, включая данные о фактической протяжённости, выполненных объёмах работ по соответствующим позициям, в единицах измерения ведомости объёмов работ проектной документации;
- в) акты испытания и опробования технических устройств, систем инженерно-технического обеспечения;
- г) результаты экспертиз, обследований, лабораторных и иных испытаний выполненных работ, проведённых в процессе строительного контроля подрядчика;
- д) документы, подтверждающие проведение контроля качества применяемых строительных материалов (изделий);
- е) иные документы, отражающие фактическое исполнение проектных решений.
Требования к составлению и порядку ведения материалов, предусмотренных настоящим пунктом, определяются в соответствии с законодательством Российской Федерации.
3.2. Акты освидетельствования оформляются в печатном виде на листах формата А4. Печать осуществляется с двух сторон каждого листа. Допускать помарки, вносить изменения (исправлять опечатки, описки и графические неточности) запрещается.
3.3. При оформлении Актов освидетельствования указывается точное наименование объекта капитального строительства и выполненных работ, с привязкой к пикетажному положению сооружаемых элементов автомобильной дороги и искусственных сооружений данного объекта.
3.4. В Актах освидетельствования в строке «К освидетельствованию предъявлены следующие работы» указывается наименование освидетельствованных работ в соответствии с наименованием работ по накопительной ведомости.
3.5. Акты освидетельствования скрытых работ подписываются в следующей очерёдности:
- а) представитель лица, выполнившего работы (Подрядчик);
- б) представитель лица, осуществлявшего строительство (Генеральный подрядчик);
- в) представитель лица, осуществлявшего строительство по вопросам строительного контроля (Специалист по организации строительства);
- г) специалист технического надзора, закреплённый за данным объектом и за данными работами согласно приказу;
- д) эксплуатирующая организация, по необходимости;
- е) представитель лица, осуществлявшего подготовку проектной документации;
- ж) представитель застройщика (технического заказчика эксплуатирующей организации или регионального оператора) по вопросам строительного контроля.
3.6. В каждом Акте освидетельствования проверяется:
- а) наличие и правильность оформления текстовой части, с перечислением в ней всех приложений с оригинальными названиями, номерами, датами выдачи и количеством страниц, ссылками на запись в общем журнале работ;
- б) наличие и правильность оформления, соответствие всем параметрам приложений, перечисленных в тексте акта освидетельствования, в необходимом и достаточном составе согласно перечню, приведенному в пункте 3.1. настоящего раздела.
3.7. Приложение к Акту освидетельствования в части исполнения чертежей, схем, расчётов и т. п. оформляется в печатном виде с использованием современных систем автоматизированного проектирования. В верхнем правом углу приложения ставится штамп вида: «Приложение 2 к АОСР № 513-7». Каждый лист копии в приложении утверждается печатью организации, выполнявшей работы с фразой «копия верна», подписью ответственного работника и её расшифровкой.
4. СОСТАВ, ПОЛНОТА СОДЕРЖАНИЯ, ПОРЯДОК ОФОРМЛЕНИЯ, КОНТРОЛЯ И ПРИЁМКИ ИСПОЛНИТЕЛЬНЫХ (ГЕОДЕЗИЧЕСКИХ) СХЕМ[править]
4.1. Исполнительные (геодезические) схемы предназначены для регистрации значений линейных и угловых размеров, координат, расстояний, отметок, уклонов, сечений, диаметров, привязок и других геометрических параметров (далее — геометрических параметров) элементов конструкций и частей зданий и сооружений, инженерных сетей, элементов благоустройства, знаков закрепления пунктов геодезической разбивочной основы (далее — элементов) с целью определения их соответствия проектной, рабочей документации (далее — проекту), требованиям нормативных документов, оценки качества строительной продукции, а также нанесения проложенных инженерных сетей на топографические планы.
4.1. Исполнительные (геодезические) схемы оформляет уполномоченное лицо Подрядной организации по результатам геодезических полевых съёмок, выполненных в соответствии с СП 126.13.330.2017 «Геодезические работы в строительстве».
4.2. Требования к составу, содержанию, оформлению, контролю, порядку приёма и хранению геодезической исполнительной документации, составляемой на бумажных носителях и в электронном виде, при строительстве, реконструкции, объектов ГКУ «Москворечье» содержатся в ГОСТ Р 51372-2019 «Документация испольная геодезическая. Правила выполнения» и иных действующих нормативных документах.
4.3. Соответствие состава, полноты содержания и оформления исполнительных съёмок требованиям стандартов определяется визуально путем просмотра материалов. Правильность отображения в документации результатов исполнительной съёмки проверяется Инженером-геодезистом Технического Заказчика по результатам контрольных измерений (контрольных съёмок) и дополнительных вычислений. В необходимых случаях для просмотра предъявляются полевые материалы исполнительной съёмки. При наличии расхождений на исполнительной схеме, представленной Проектной организацией, с контрольной съёмкой Технического Заказчика документ возвращают на исправление.
4.4. Состав исполнительных схем по объекту строительства устанавливается на основании требований действующих нормативных документов, требований «Мосгосстройнадзора», Технического Заказчика, авторского надзора проектной организации. В состав исполнительной геодезической документации входят:
- а) по инженерным сетям — исполнительные чертежи, профили, каталоги координат, схемы сварных стыков трубопроводов, полевые геодезические материалы исполнительной съёмки;
- б) по остальным элементам — исполнительные схемы и полевые геодезические материалы исполнительной съёмки. При необходимости — исполнительный генплан.
Действительные размеры и положение элементов характеризуются следующими геометрическими параметрами: размерами элементов, координатами и отметками выбранных определяемых точек на элементах, расстояниями и углами между исходными и определяемыми точками. Положение элементов конструкций в плане показывают размерами или отклонениями, которые доступны для наблюдения:
- • действительными отклонениями осей элементов от разбиваемых в натуре КООРДИНАЦИОННЫХ осей (ГОСТ 21.101) или действительными расстояниями от граней элементов до этих осей;
- • действительными расстояниями от граней элементов до разбиваемых в натуре параллелей осям (базовых осей по ГОСТ 2.308) с указанием привязочных размеров последних к координационным осям.
4.5. В случае необходимости на исполнительных схемах могут помещаться согласующая надпись или данные (название документа, дата, номер и др.) о согласовании сверхнормативных отклонений с проектной организацией.
4.6. В качестве основы для исполнительных схем допускается использовать чертежи из состава рабочей документации.
4.7. В исполнительной геодезической документации подлежат отражению значения геометрических параметров, требования к точности которых установлены действующими нормативными документами и проектом. Дополнительно отражаются сведения о фактически выполненных технических решениях, материале конструкций, объёмах работ, спецификации и другой технической исполнительной информации.
4.8. Геометрические параметры в документации характеризуются проектными (номинальными по ГОСТ 21778) и фактическими значениями, их фактическими отклонениями. Способ характеризации выбирается по указаниям действующих нормативных документов, проекта, накопительной ведомости.
4.9. Проектные значения параметров в случае необходимости показываются по ГОСТ 2.307, ГОСТ 21.508, ГОСТ 21.101. Фактические значения и фактические отклонения показываются согласно указаниям 4.9.1 — 4.9.6 настоящего регламента.
- 4.9.1. Фактические значения линейных размеров (расстояний между осями, поверхностями и т. п.) показываются числовыми значениями, помещёнными под размерной линией, над которой указан соответствующий проектный размер.
- 4.9.2. Проектные и фактические отметки показываются: для грунтовых и других поверхностей рельефа — по ГОСТ 21.508, для прочих элементов — по ГОСТ 21.101.

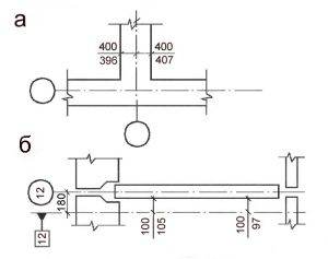
Рисунок 1. Примеры указания действительных отклонений поверхностей: а) сваи или колонны на плане; б) колонны на разрезе 
Рисунок 2. Примеры указания фактических отклонений осей элементов от разбивочных осей на плане: а) сваи; б) колонны 
Рисунок 3. Примеры указаний фактических расстояний на плане: а) от граней монолитного растверка до разбиваемой в натуре координационной оси; б) от грани стеновой панели до разбиваемой в натуре параллели оси 
Рисунок 4. Примеры указания фактических отклонений поверхностей элементов от вертикальности: а) на плане; б) на разрезе - 4.9.3. Фактические отклонения от проектных отметок показываются числовым значением в см для грунтовых и других поверхностей рельефа, в мм для других элементов со знаком «плюс» в случае превышения или «минус» в случае занижения. Направляющую линию соединяют с точкой поверхности, к которой относится отклонение (см. рисунок 1).
- Отклонения точек плит перекрытий и подобных поверхностей от их самых высоких точек показываются числовым значением в мм со знаком «минус» с направляющей линией.
- 4.9.4. Уклоны поверхностей и линейных элементов показываются по ГОСТ 21.101; крутизна откосов показывается по ГОСТ 21.503.
- 4.9.5. Фактические отклонения осей элементов от разбивочных осей на планах показываются стрелками, направленными в сторону отклонения, и расположенным рядом числовым значением отклонения. При этом перед фактическими числовыми значениями отклонений помещается в прямоугольной рамке буква «В» для верхнего сечения или буква «Н» для нижнего сечения элемента (см. рисунок 2).
- Фактические расстояния от граней элемента до разбивочных осей показываются в соответствии с пунктом 4.9.1 (см. рисунок 3).
- 4.9.6. Фактические отклонения поверхностей элементов от вертикальности показываются стрелками, направленными в сторону отклонения, и расположенными рядом условными обозначениями невертикальности по ГОСТ 21.113 и числовыми значениями отклонений (см. рисунок 4).
4.10. Исполнительный генплан должен содержать совмещенную схему подземных и надземных коммуникаций в составе, установленном ГОСТ 21.508. На генплане дополнительно указываются действительные расстояния в свету между уложенными сетями.
4.11. Исполнительную и контрольную съёмку сетей инженерно-технического обеспечения подземных частей зданий и сооружений для составления исполнительных чертежей проводят после завершения всех работ по прокладке, установке, креплению запорных устройств и других элементов коммуникаций до засыпки траншей, установки в проектное положение и закрепления конструктивных элементов зданий и сооружений. Исполнительную геодезическую съёмку подземных частей зданий и сооружений для составления исполнительных схем проводят до засыпки котлованов и траншей в процессе строительства реконструкции.
- 4.11.1. При исполнительной съемке сетей инженерно-технического обеспечения определению подлежат плановые и высотные положения:
- ♦ всех подземных частей здания и сооружения с заглублением более чем на 0,5 метра;
- ♦ всех углов поворота, места изменения уклонов сетей инженерно-технического обеспечения, диаметров труб, места присоединения ответвлений, пересечения с другими сетями инженерно-технического обеспечения, а также другие видимые точки и точки на прямых участках не реже чем через 50 м:
- а) на теплосети: камеры, смотровые люки, компенсаторы, неподвижные опоры. В зависимости от стадии строительства теплосети определяют сечение канала, диаметр труб, отметки низа канала шли верха канала, отметки верха труб, наземные павильоны над камерами;
- б) на водоводе, водопроводе, напорной канализации, газопроводе и других напорных трубных прокладках: колодцы, коверы, контрольные трубки, регуляторы давления, гидравлические затворы, аварийные выпуски, водоразборные колонки, гидранты, верх труб, обечаек колодцев (если установлены), дна колодца верха и низа камеры, а также диаметры труб и их назначение;
- в) на самотечной канализации, водостоке (ливневой канализации), дренаже: колодцы, решётки, ливнеспуски, камеры, лотки труб и обечаек колодцев (если установлены), дна колодца, верха и низа камеры, а также диаметры труб;
- г) при съёмке сети инженерно-технического обеспечения, расположенной на поверхности земли — по зданию, мосту, забору, эстакаде и прочие опорные элементы трассы;
- д) на телефонной канализации — колодцы. Определяют от отметки обечаек, верха труб, дна, высоту горловины колодца;
- е) на кабельных сетях количество кабелей или труб, углы поворотов, места выходов на стены зданий, опоры, их число, камеры и люки;
- ж) на коллекторах — камеры, смотровые люки, углы поворота, места изменения сечений. Определяют сечение канала и отметки низа и верха канала;
- з) на электрозащите от коррозии — количество кабелей или труб, углы поворота, контактные устройства, анодные заземления, дроссели, электрозащитные установки и их размеры, точки контура анодного заземления;
- е) при обследовании и съёмке колодцев определяют высоты горловин колодцев, с отображением результатов в абрисе.
- При съёмке закрытых переходов, возводимых методом горизонтального и направленного бурения (ГНБ), фиксацию направлений, отметки проводят во время контрольной протяжки зонда. Исполнительный чертёж составляется в масштабе разбивочного чертежа проектной документации на геоподоснове М 1:500 в бумажном виде и может дополнительно представляться в электронном виде. Во всём остальном руководствуются соответствующим разделом СП 126.13330.2017.
- 4.11.2. Чертежи исполнительной съёмки и другие исполнительные схемы, поступающие в фонд материалов и данных инженерных изысканий, должны быть оформлены в полном соответствии с эталоном дополнительного чертежа, исполнительной схемы без исправлений и подчисток, а также иметь штамп проверки на соответствие данным контрольной геодезической съёмки и проекту, штампы строительной и эксплуатирующей организаций. Исполнительные чертежи подземных сетей инженерно-технического обеспечения, исполнительную схему подземных частей зданий и сооружений, прошедшие контроль, сдают в фонд материалов и данных инженерных изысканий.
- 4.11.3. Узел обозначения, которые позволяют читать чертёж в любой цветовой гамме.
4.12. В исполнительных схемах применяются условные обозначения элементов конструкций и систем, установленные в стандартах СПДС, а также условные знаки Федеральной службы Роскартографии.
4.13. В примечаниях к исполнительной схеме указывают номера и названия чертежей рабочей документации, исходные геодезические данные, условные обозначения и другие сведения, поясняющие содержание схем.
4.14. В правом нижнем углу исполнительной схемы размещается основная надпись по ГОСТ 21.101.
4.15. Исполнительная схема подписывается ответственным исполнителем Подрядной организации, геодезистом Подрядной организации. В случае выполнения исполнительной съёмки сторонней организацией схема подписывается также руководителем этой организации или её уполномоченным лицом. После проверки исполнительная схема утверждается путём проставления штампа, подписи инженером-геодезистом Технического Заказчика.
5. ПОРЯДОК ВЕДЕНИЯ УЧЁТА ОБЪЁМОВ ВЫПОЛНЕННЫХ РАБОТ И РЕЕСТРА ИСПОЛНИТЕЛЬНОЙ ДОКУМЕНТАЦИИ[править]
5.1. Реестр исполнительной документации ведёт инспектор строительного контроля Технического Заказчика.
5.2. Подрядная организация предоставляет данные для реестра исполнительной документации.
5.2. На основании данных реестра исполнительной документации осуществляется проверка актов о приёмке выполненных работ по форме № КС-2 и формирование данных журнала учёта выполненных работ (накопительная ведомость) по форме № КС-ба.
6. ПРОЦЕДУРА ПЕРЕДАЧИ ИСПОЛНИТЕЛЬНОЙ ДОКУМЕНТАЦИИ В АРХИВ[править]
6.1. Для подтверждения фактически выполненных работ Подрядная организация передаёт Техническому Заказчику полный комплект исполнительной документации в 2-х экземплярах, оформленной в строгом соответствии с требованиями настоящего регламента, а также общий журнал работ и специальные журналы работ.
6.2. Каждый комплект исполнительной документации по каждому конструктиву, зданию, захватке передаётся Техническому Заказчику в папке-регистре, на обложке которой отражается следующая информация:
- а) наименование здания (конструктива). Например: «Мост через р. Москва»;
- б) шифр РД;
- в) номер папки;
- г) номер экземпляра;
- д) Генподрядчик;
- е) субподрядчик.
6.3. Первым документом в папке-регистре должен быть реестр переданной исполнительной документации (установленного образца), вторым документом — содержание папки.
- а) АОСР разбивки геодезических осей — 3 стр.
- б) Исполнительная геодезическая схема — 4 стр.
- ………………………………………………………..........................
- n) Сертификат качества № 167 от 01.01.2019 г. на арматуру АЗ d=25 — 988 стр.
Реестры исполнительной документации передаются Техническому Заказчику также и в электронном виде.
6.4. Каждый акт со всеми приложениями к нему, а также другая исполнительная документация не помещается в прозрачные файлы с перфорацией, а подшивается в папку-регистр в соответствии с вложенным реестром. Далее все акты в папке прошиваются вощёной нитью. На обороте над нитью клеится контрольная метка с указанием количества прошнурованных и пронумерованных листов, ставится печать компании с подписью (расшифровкой) ответственного лица, указывается дата (не позднее даты фактической передачи папки).
6.5. Акты в папке-регистре подшиваются в порядке возрастания нумерации. В правом нижнем углу проставляется сквозная нумерация листов, находящихся в папке-регистре. Например, от 1 до 1000 (листов).
6.6. Все правильно оформленные папки-регистры с ИД собираются в картонные коробки. Сбоку каждой коробки крепится обложка, на которой отражается следующая информация:
- а) номер коробки;
- б) Генподрядчик;
- в) название папок, находящихся в коробке;
- г) количество экземпляров, находящихся в коробке.
6.7. Каждая передача исполнительной документации производится по адресу Технического Заказчика и завершается подписанием акта приёма—передачи в 2-х экземплярах, по одному экземпляру Техническому заказчику и Генподрядчику.
